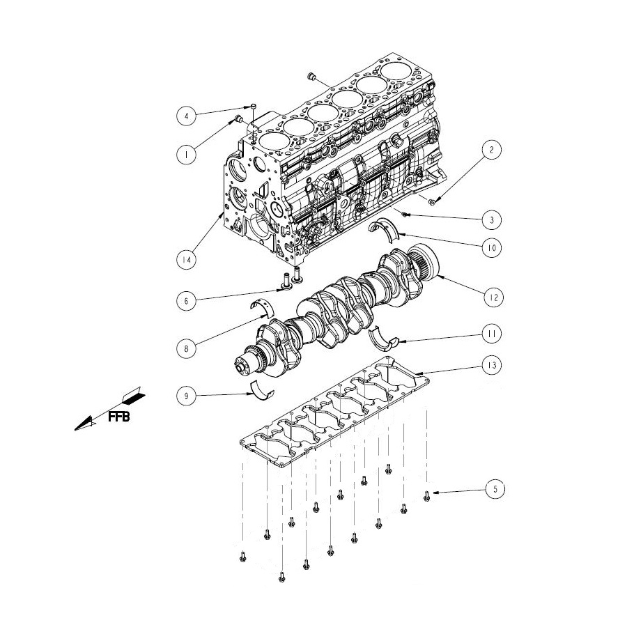
Блок цилиндров

| 1 | Заглушка резьбовая | 2 | |
| 2 | Заглушка резьбовая | 1 | |
| 3 | Заглушка резьбовая | 1 | |
| 4 | Втулка кольцевая фиксирующая | 2 | |
| 5 | Болт с шестигранной головкой с фланцем | 14 | |
| 6 | Толкатель клапана | 12 | |
| 8 | Подшипник коренной | 6 | |
| 9 | Подшипник коренной | 6 | |
| 10 | Подшипник упорный | 1 | |
| 11 | Подшипник упорный | 1 | |
| 12 | Вал коленчатый | 1 | |
| 13 | Плита жесткости блока цилиндров | 1 | |
| 14 | Блок цилиндров |